| 操作 (operation) |
数量 (quantity) |
零件编号 (number) |
零件品号 (Product number) |
零件名称 (Product name) |
Q6LTe 用量 (Number of Q6LTe used) |
|---|---|---|---|---|---|
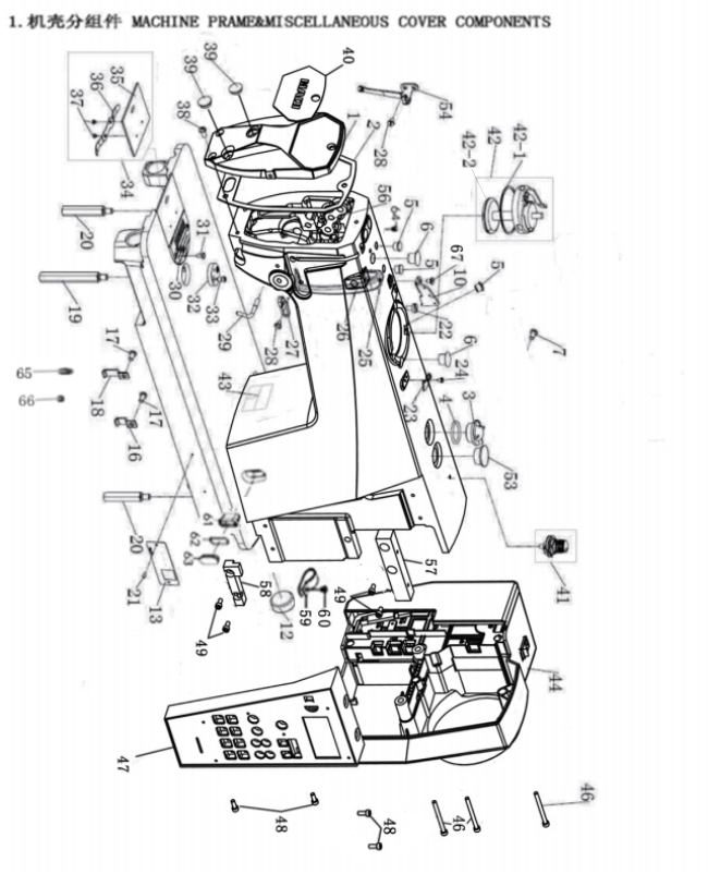
| 1 | PFQ5TE20101L | 面板 | 1 | ||
| 2 | PFQ5TE20102 | 面板垫 | 1 | ||
| 3 | PF5550824 | 油窗 | 1 | ||
| 4 | PF5550825 | 油窗O形圈 | 1 | ||
| 5 | PF5550113 | 挑线连杆销螺孔塞(8.7) | 4 | ||
| 6 | PF5550112 | 针杆曲柄螺孔塞 | 2 | ||
| 7 | PF555016 | 后窗板螺钉GS053 | 9 | ||
| 10 | PFQ5110 | 三眼线钩 | 1 | ||
| 12 | PF5550115 | 下轴盲孔塞 | 1 | ||
| 13 | BZ3097 | 型号牌 | 1 | ||
| 16 | PF99901511 | 线夹U2 | 2 | ||
| 17 | PF5550161 | 后盖板加长螺钉 | 3 | ||
| 18 | PF99901160 | 线夹U3 | 1 | ||
| 19 | PFQ70120 | Q7底板支柱2 | 1 | ||
| 20 | PFQ70119 | Q7底板支柱1 | 3 | ||
| 21 | SCJ6071 | 铆钉 | 2 | ||
| 22 | PF90000131 | 绕线器紧固螺钉 | 3 | ||
| 23 | PF90000132 | 绕线切刀 | 1 | ||
| 24 | PF68425K19 | 油线支架螺钉 | 2 | ||
| 25 | PF5550230 | 挑线杆护罩螺钉GS0551 | 1 | ||
| 26 | PFQ5126 | 挑线杆护罩(电镀) | 1 | ||
| 27 | PF5550316 | 右线钩 | 1 | ||
| 28 | PF5550317 | 右线钩螺钉GS0552 | 2 | ||
| 29 | PF9520MXDK021 | 大线钩组件 | 1 | ||
| 30 | PF555063601D | 针板(四排φ1.8) | 1 | ||
| 31 | PF5550637 | 针板螺钉GS044 | 2 | ||
| 32 | PFQ50132 | 夹具座 | 1 | ||
| 33 | PF5550117 | 卷边器座螺钉 SM11/64″*40 L=5 | 1 | ||
| 34 | PF5550638 | 推板部件 | 1 | ||
| 35 | PF5550639 | 推板 | 1 | ||
| 36 | PF5550640 | 推板簧 | 1 | ||
| 37 | PF5550641 | 推板螺钉 | 2 | ||
| 38 | PF5550161 | 后盖板加长螺钉 | 3 | ||
| 39 | PF8420M-D3010107 | 橡皮塞 | 2 | ||
| 40 | BZ3314 | 面板装饰牌(背胶亮面) | 1 | ||
| 41 | PFQ5141 | 绕线夹线器(灰帽) | 1 | ||
| 42 | PF90000157 | 绕线器组件 | 1 | ||
| 42-1 | PF900001511 | 绕线器垫片油封 | 1 | ||
| 42-2 | PF90000157SF01 | 橡胶轮 | 1 | ||
| 43 | BZ3141 | 黄底警告标贴 | 1 | ||
| 44 | PFQ6LTE30144C | 电控组件 | 1 | ||
| 46 | PFQ5TE20146 | 电机罩固定螺钉(长M4-40) | 3 | ||
| 47 | PFQ6LTe30144C02 | 操作屏面板 | 1 | ||
| 48 | BF310164527 | 螺钉 | 4 | ||
| 49 | PF1310C227 | 螺钉 M4X10 | 4 | ||
| 53 | PF98000187 | 偏心轮调节孔塞 | 1 | ||
| 54 | PFQ6L0154 | 左线钩 | 1 | ||
| 56 | PF9520MXDK02101 | 缓线勾紧固螺母 | 1 | ||
| 57 | PFQ5TE20157 | 面板固定块I | 1 | ||
| 58 | PFQ5TE20158 | 面板固定块II | 1 | ||
| 59 | SCJ5063 | 电线夹 #12(ROHS) | 2 | ||
| 60 | PF1310D239 | 螺钉 | 2 | ||
| 61 | PFQ90A015902 | 油窗下体 | 1 | ||
| 62 | PFQ90A0163 | O型圈 | 1 | ||
| 63 | PFQ90A015901 | 油窗上体 | 1 | ||
| 64 | PF9820A50 | 橡皮塞4 | 1 | ||
| 65 | PF900081412 | 1/8*44-6内止螺丝 | 1 | ||
| 66 | BF7005292 | 螺钉 | 1 | ||
| 67 | PF90008108 | 分线器固定螺钉 | 1 | ||
| 0 |
