| 操作 (operation) |
数量 (quantity) |
零件编号 (number) |
零件品号 (Product number) |
零件名称 (Product name) |
0303Fe/Ft 用量 (Number of 0303Fe/Ft used) |
|---|---|---|---|---|---|
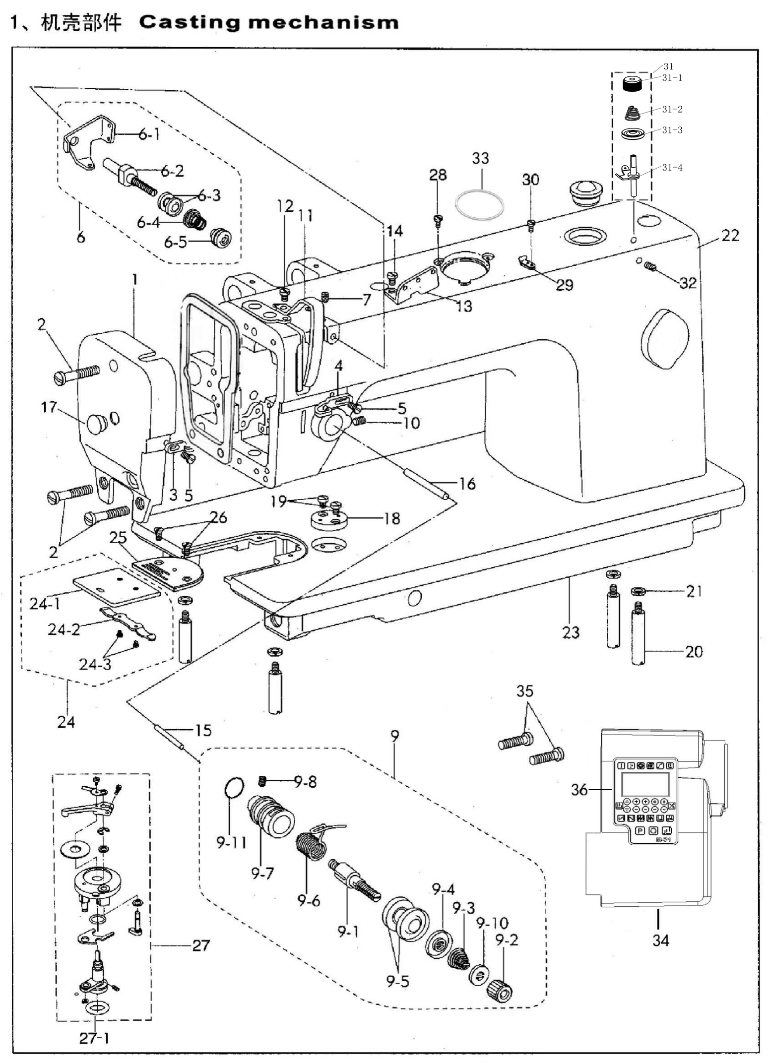
| 1 | PF0303D0101L | 面板(成品,Vsport外形) | 1 | ||
| 2 | PF0302111 | 面板螺钉 | 3 | ||
| 3 | PF03030103 | 面板线勾 | 1 | ||
| 4 | PF03030104 | 线勾 | 1 | ||
| 5 | PF6150106 | 面板线勾螺钉 | 3 | ||
| 6 | PF03030106Q | 小夹线器组件(灰) | 1 | ||
| 6-1 | PF03020116 | 小夹线过线板 | 1 | ||
| 6-2 | PF03020117 | 小夹线螺钉 | 1 | ||
| 6-3 | PF03020118 | 小夹线组板 | 2 | ||
| 6-4 | PF03020119 | 小夹线弹簧 | 1 | ||
| 6-5 | PF03020120 | 小夹线螺母 | 1 | ||
| 7 | PF68425H33 | 螺钉 | 1 | ||
| 9 | PF03030109Q | 夹线器组件(灰) | 1 | ||
| 9-1 | PF03030109Q01 | 夹线螺钉 | 1 | ||
| 9-2 | PF03030109Q02 | 夹线螺母 | 1 | ||
| 9-3 | PF03030109Q03 | 夹线弹簧 | 1 | ||
| 9-4 | PF03030109Q04 | 松线板 | 1 | ||
| 9-5 | PF03030109Q05 | 夹线板 | 2 | ||
| 9-6 | PF03030109Q06 | 挑线簧 | 1 | ||
| 9-7 | PF03030109Q07 | 夹线调节座 | 1 | ||
| 9-8 | PF03030109Q08 | 夹线调节座螺钉 | 1 | ||
| 9-10 | PF03030109Q10 | 夹线螺母止动板 | 1 | ||
| 9-11 | PF03030109Q11 | O型圈 | 1 | ||
| 15 | PF0303010909 | 松线钉 | 1 | ||
| 10 | PF555029 | 上轴后轴套螺钉GS0549 | 1 | ||
| 11 | PF03030111 | 挑线杆防护罩(镀铬) | 1 | ||
| 12 | PF6150211 | 挑线杆防护罩螺钉 | 1 | ||
| 13 | PF0302113 | 三眼线勾 | 1 | ||
| 14 | PF5550317 | 右线钩螺钉GS0552 | 1 | ||
| 16 | PF6150712 | 松线杆 | 1 | ||
| 17 | PF6150104 | 面板橡皮塞φ11.8 | 1 | ||
| 18 | PF03030118 | 夹具座 | 1 | ||
| 19 | PF5550117 | 卷边器座螺钉 SM11/64″*40 L=5 | 2 | ||
| 20 | PF6150142 | 底板撑杆(长) | 1 | ||
| 22 | 330303030101 | Fe机壳 | 1 | ||
| 23 | 340303010101 | 1 | |||
| 24 | PF0302CX143 | 推板组件 | 1 | ||
| 24-1 | PF0302CX0139 | 推板 | 1 | ||
| 24-2 | PF0302CX014301 | 推板簧 | 1 | ||
| 24-3 | PF0302CX014302 | 推板簧螺钉 | 2 | ||
| 25 | PF0302141 | 针板M2.6 | 1 | ||
| 26 | PF5550637 | 针板螺钉GS044 | 2 | ||
| 27 | PF03030127 | 绕线器组件 | 1 | ||
| 27-1 | PF03030127SF01 | 绕线器橡胶圈 | 1 | ||
| 28 | PD-0128 | 绕线器固定螺钉(0303) | 3 | ||
| 29 | PF90000132 | 绕线切刀 | 1 | ||
| 30 | PF555068 | 送料连杆销螺钉GS0560 | 2 | ||
| 31 | PF03030131 | 绕线器小夹线器组件(白66#) | 1 | ||
| 31-1 | PF0303013105 | 绕线器小夹线器螺母 | 1 | ||
| 31-2 | PF0303013106 | 绕线器小夹线器弹簧 | 1 | ||
| 31-3 | PF0303013103 | 绕线器小夹线器夹线板 | 2 | ||
| 31-4 | PF0303013104 | 绕线器小夹线器螺钉 | 1 | ||
| 32 | PF555029 | 上轴后轴套螺钉GS0549 | 1 | ||
| 33 | PF03030137 | 绕线器橡胶垫 | 1 | ||
| 34 | PF030301340101 | 0303FE单电控 | 1 | ||
| 35 | SCJ2011 | 内六角螺钉 | 4 | ||
| 36 | PF030301340109 | 0303FE操作面板 | 1 |
